
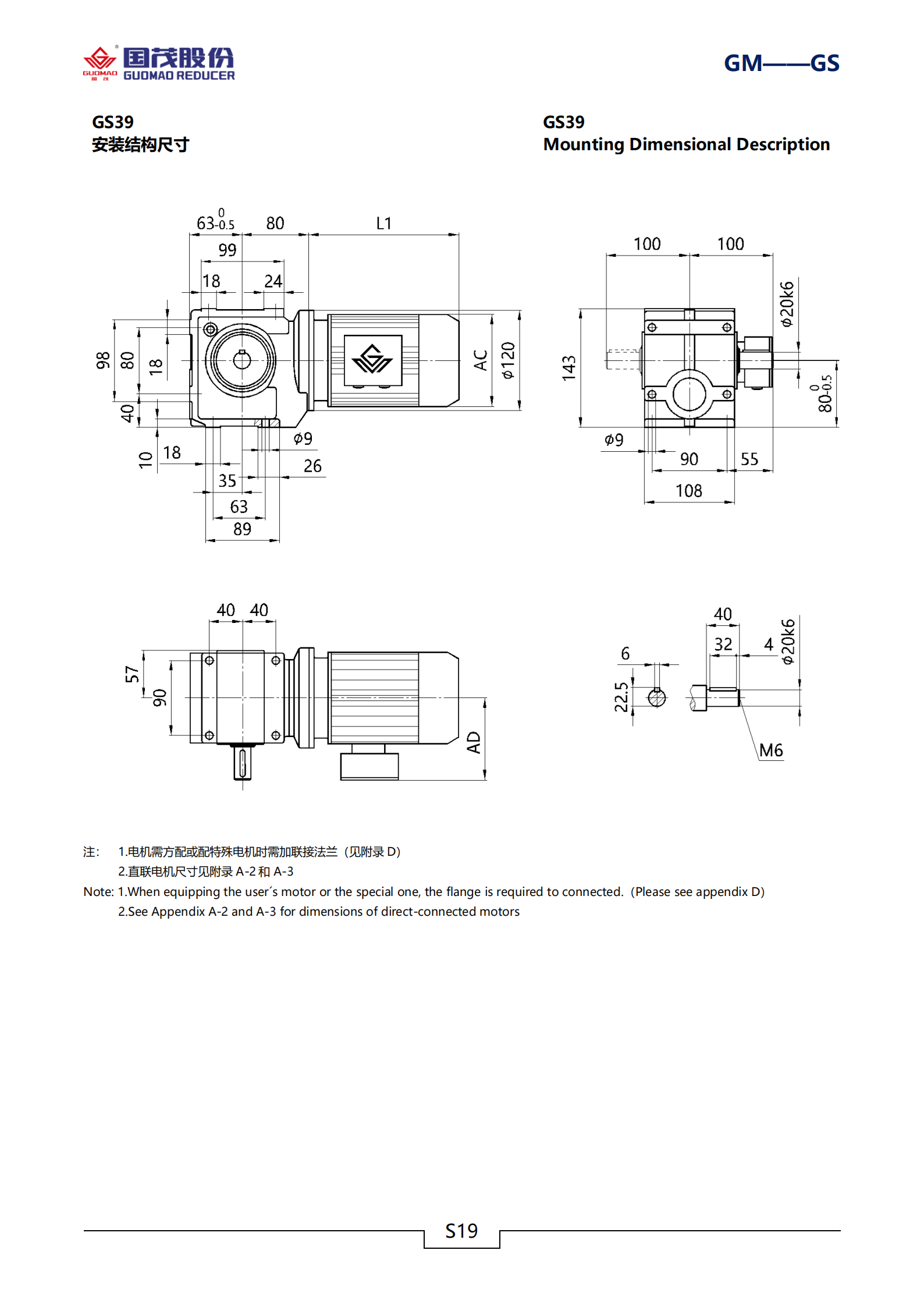
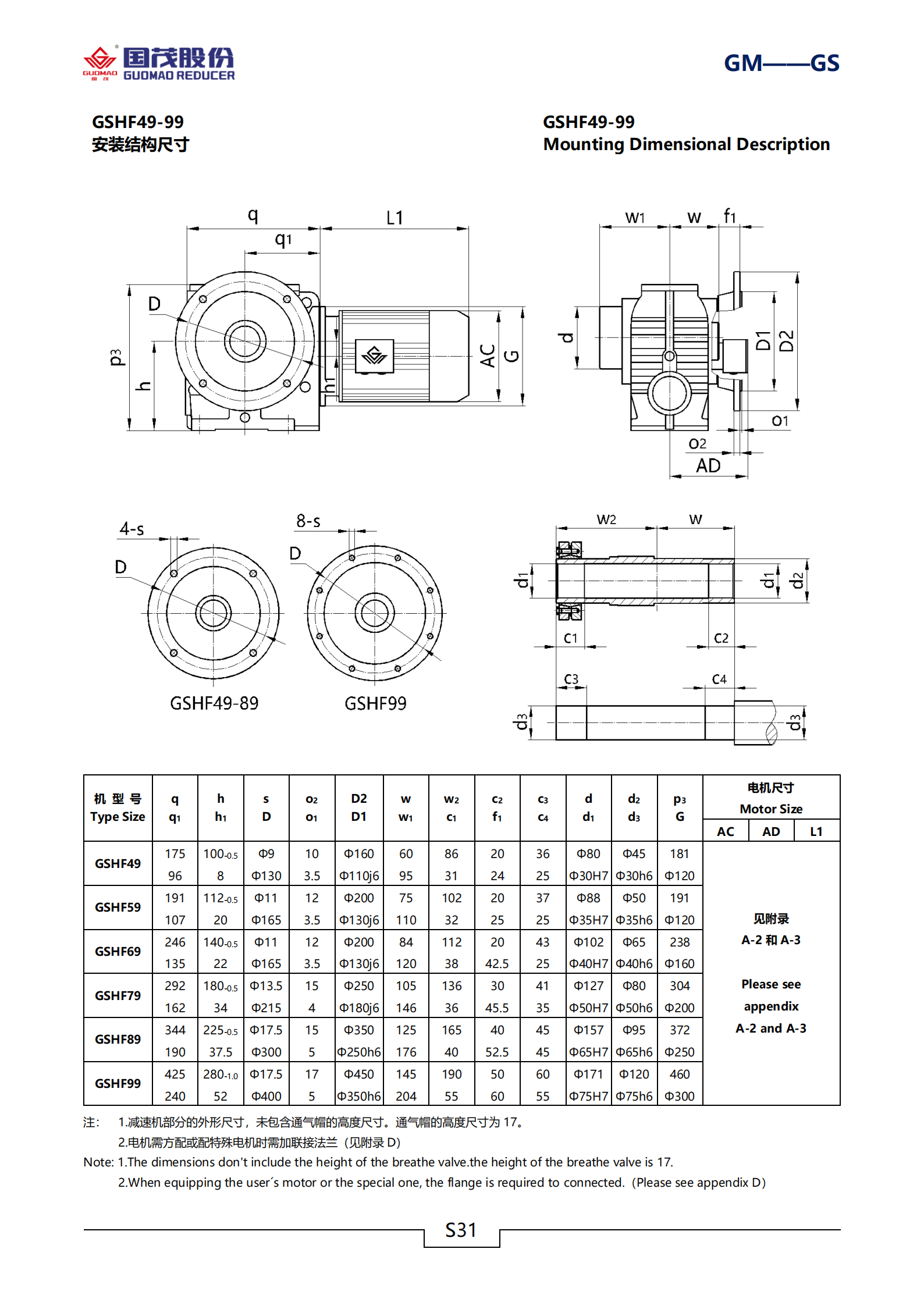
The product model and specifications include
GS39,GS49-99,GSF39-99,GS109,GSF109,GSA39,GSA49-99,GSAF39-99,GSA109,GSAF109,GSAZ49-99
GSH39,GSH49-99,GSHF39,GSHF49-99,GSHZ49-99,GSAT39-109,GSHT39-99,GS..39-109AD1-6,GS..R..



















Name: Hu Bo
phone:+8618881888393
Whatsapp:+8618881888393
Email:sales@reducersgearboxes.com
Add:No. 10 Xiyuan Road, Hangzhou City, Zhejiang Province, China