
The product model and specifications include
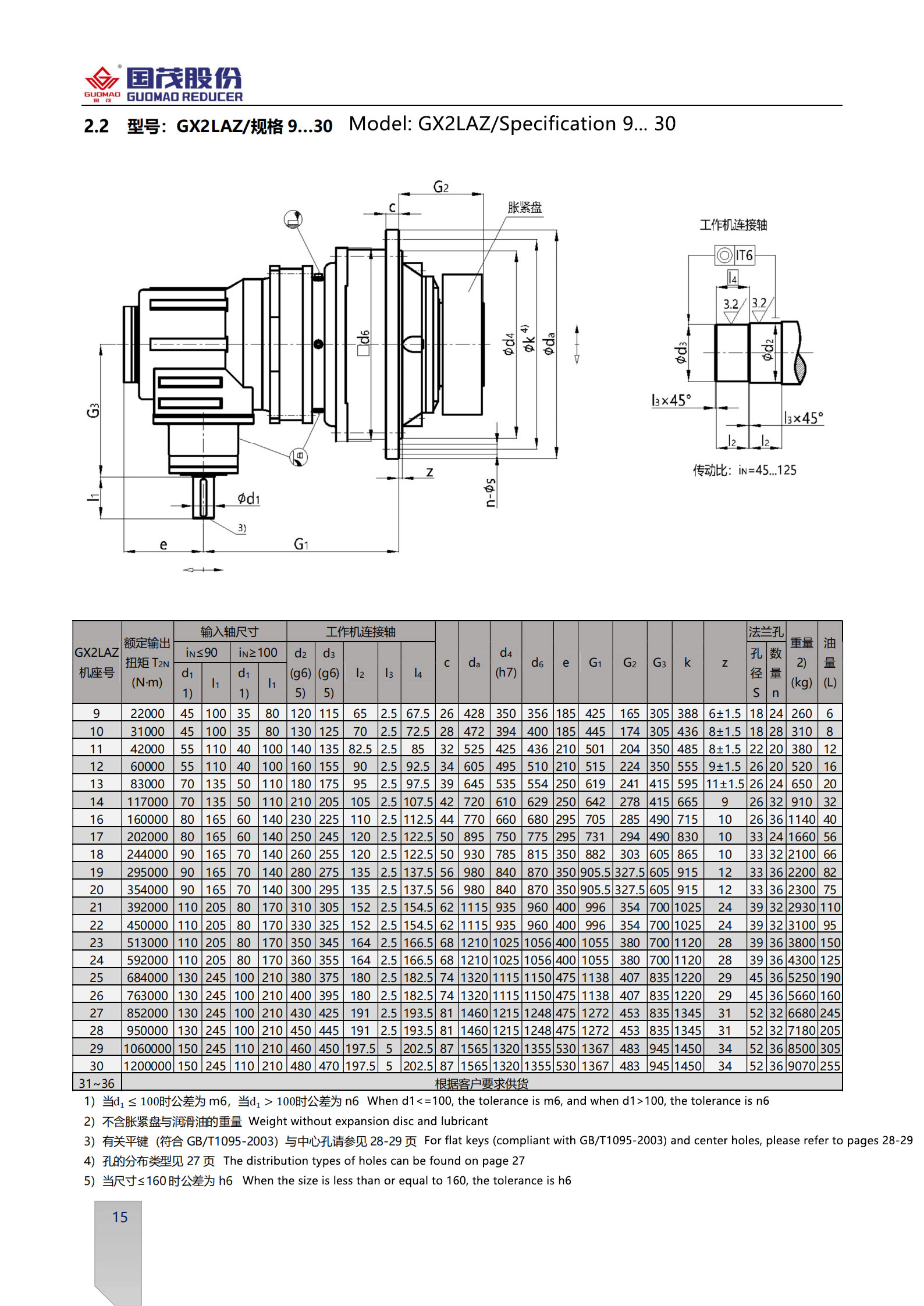
GX2NAZ9...36,GX2LAZ9...30,GX2SAZ9...36
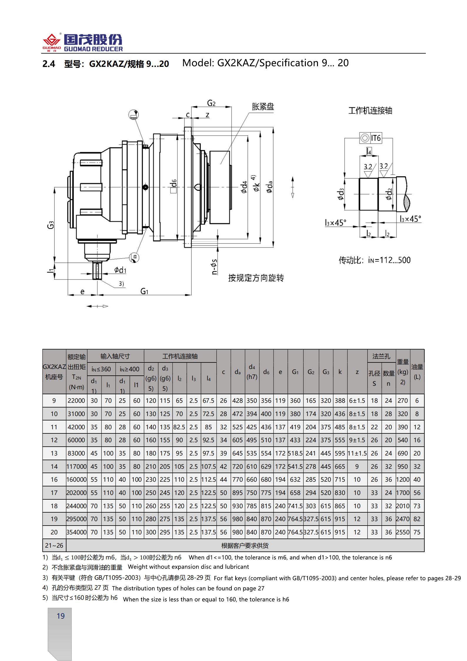
GX2KAZ9...20,GX3NAZ9...36,GX3SAZ9...36,GX3KAZ9...30











Name: Hu Bo
phone:+8618881888393
Whatsapp:+8618881888393
Email:sales@reducersgearboxes.com
Add:No. 10 Xiyuan Road, Hangzhou City, Zhejiang Province, China