
Model specifications
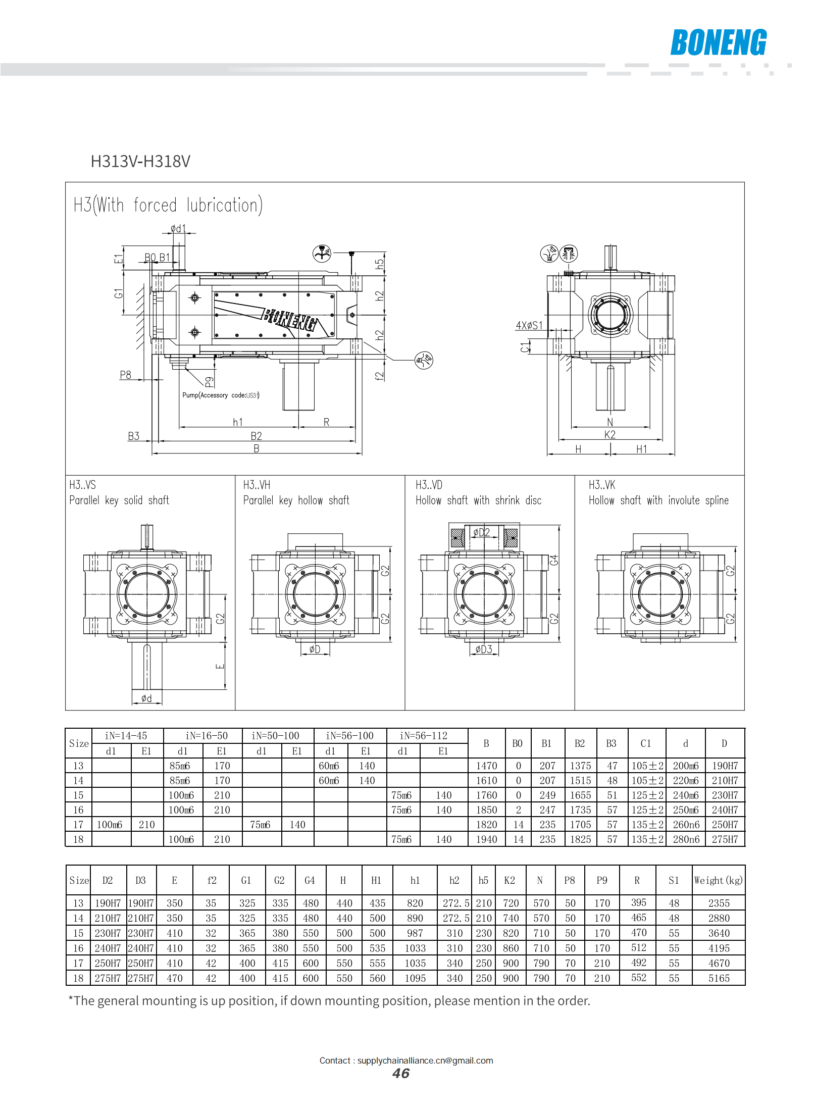
H313VD,H314VD,H315VD,H316VD,H317VD,H318VD


H Helical Gearbox &B Bevel-helical Gearbox Use Manual
Name: Hu Bo
phone:+8618881888393
Whatsapp:+8618881888393
Email:sales@reducersgearboxes.com
Add:No. 10 Xiyuan Road, Hangzhou City, Zhejiang Province, China