
The torque range of the R series helical gear reducer products is from 50 to 20000 Nm, and the reduction ratio is from i=1.30 to i=289.74. In double gear mechanisms, even i=270001. This finely graded torque rating and gear ratio are difficult to find in the market.
The R series gear unit also meets the demand for high output speed or low weight. Our helical gear unit always has high efficiency, providing the best ratio between torque output and installation space. This means that helical gear units are almost always suitable for your application.
|
Gear unit sizeGear unit size R17 R27 R37 R47 R57 R67 R77 R87 R97 R107 R137 R147 R167RS17 RS27 RS37 RS47 RS57 RS67 RS77 RS87 RS97 RS107 RS137 RS147 RS167 RFS17 RFS27 RFS37 RFS47 RFS57 RFS67 RFS77 RFS87 RFS97 RFS107 RFS137 RFS147 RFS167 RF17 RF27 RF37 RF47 RF57 RF67 RF77 RF87 RF97 RF107 RF137 RF147 RF167 RX37 RX57 RX67 RX77 RX87 RX97 RX107 RX127 RX157 RXF37 RXF57 RXF67 RXF77 RXF87 RXF97 RXF107 RXF127 RXF157 RXS37 RXS57 RXS67 RXS77 RXS87 RXS97 RXS107 RXS127 RXS157 RXFS37 RXFS57 RXFS67 RXFS77 RXFS87 RXFS97 RXFS107 RXFS127 RXFS157
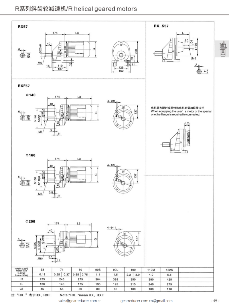
R helical geared motors The following types of helical-bevel motor can be supplied:R..D.. Foot-mounted helical geared motor RF..D.. Flange-mounted helical geared motor R.F D.. Foot and Flange-mounted helical gearedmotor RM..D. Flange-mounted helical geared motor withextended bearing housing RX..D.. Single-stage Foot-mounted helicalgeared motor RXF.. DSingle-stage Flange-mounted helicalgeared motor
|
|
+ALL R/F/K/S 4 series gear reducers Electronic Catalog.pdf
+All MOTOR electronic catalogs (YE3,YE4,YE5,YEJ/YDEJ,YVF,YCT,MS,YD,YBX4-BT4,YBX4-CT4).pdf
Name: Hu Bo
phone:+8618881888393
Whatsapp:+8618881888393
Email:sales@reducersgearboxes.com
Add:No. 10 Xiyuan Road, Hangzhou City, Zhejiang Province, China